Dinamitek s.r.l.
Versione italiana o inglese della scheda 

 
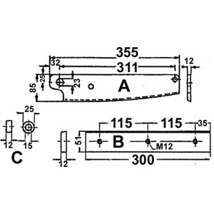
713 3B - CESOIE A LEVA PER LAMIERE - Orig. Peddinghaus

Salva foto in alta risoluzione

   

 Stampa la scheda
 Invia la scheda

 Apri la pagina del catalogo
 Vai ai prodotti di pag.

Prodotto precedente Prodotto precedente
Prodotto successivo Prodotto successivo

713 3B  

Orig. Peddinghaus

 

CESOIE A LEVA PER LAMIERE

plate and round steel shears

RICAMBI PER CESOIE ART. 712G 3

Coltello inferiore.

 Aggiungi al carrello  

NoteCod. Art.Cad.Cod. Prod.Peso ArtQTAMIN
713 3B€ 245,00 1,40
 

News

Dinamitek s.r.l.